Teplotní sonda Pt1000TG7/C, konektor CINCH
Mosazná sonda Pt1000TG7 pro měření povrchové teploty materiálů pevně spojená s kabelem volitelné délky.
Sondy teploty Pt1000TG7 jsou určeny pro měření povrchové teploty. Teplotní rozsah použití je -50 až +200 °C a nesmí být překročen ani krátkodobě. Jako přívodní kabel je používán typ se silikonovou izolací a stíněním. Konstrukce sondy zajišťuje rychlou odezvu na změnu teploty. Montáž sondy na povrch se provádí jedním nebo dvěma šrouby M4, případně fixace samolepicí páskou.
Sondy teploty jsou určeny pro provoz v chemicky neagresivním prostředí, způsob použití musí být volen s ohledem na teplotní a chemickou odolnost pouzdra a přívodního kabelu.
- 
									KódSN164C
Varianty produktu
Technická data
Měřená veličina
												
													Teplota
												
											
							TEPLOTNÍ SENZOR
								Měřicí rozsah
								-50 až +200 °C
							
							
								Přesnost
								± (0,15 + 0,002 t) ve °C
							
							
								Třída přesnosti
								A
							
							
								Doba odezvy
								t0,5 <10 s (na hladkém povrchu bez pasty)
							
							
								Typ čidla
								Pt1000
							
							
								Teplotní koeficient
								3850 ppm / °C
							
						HLAVNÍ TECHNICKÁ DATA
								Zapojení čidla
								dvouvodičové
							
							
								Materiál pouzdra
								mosaz
							
							
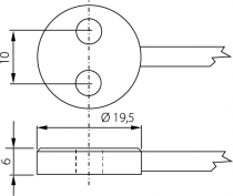
								Rozměry pouzdra
								výška 6 ± 0,1 mm; 
průměr 19,5 ± 0,1 mm;
průměr montážních otvorů 4,3 ± 0,05 mm
							průměr 19,5 ± 0,1 mm;
průměr montážních otvorů 4,3 ± 0,05 mm
								Typ přívodního kabelu
								silikon stíněný
							
							
								Délka přívodního kabelu
								1 metr
							
							
								Konektor
								CINCH
							
							
								Krytí
								IP65
							
							
								Záruka
								30 měsíců
							
						
 
         
         
         
         
         
         
         
         
         
         
         
									 
									 
									 
								 
								 
								 
													 
										 
										