Teplotní sonda Pt1000TG7/E, konektor ELKA, kabel 2 metry
Mosazná sonda pro měření povrchové teploty materiálů pevně spojená s kabelem volitelné délky.
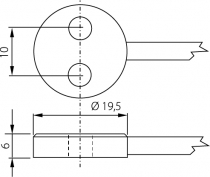
Sondy teploty Pt1000TG7 jsou určeny pro měření povrchové teploty. Teplotní rozsah použití je -50 až +200 °C a nesmí být překročen ani krátkodobě. Jako přívodní kabel je používán typ se silikonovou izolací a stíněním. Konstrukce sondy zajišťuje rychlou odezvu na změnu teploty. Montáž sondy na povrch se provádí jedním nebo dvěma šrouby M4, případně fixace samolepicí páskou.
Sondy teploty jsou určeny pro provoz v chemicky neagresivním prostředí, způsob použití musí být volen s ohledem na teplotní a chemickou odolnost pouzdra a přívodního kabelu.
-
KódSN165E
Varianty produktu
Technická data
Měřená veličina
Teplota
TEPLOTNÍ SENZOR
Měřicí rozsah
-50 až +200 °C
Přesnost
± (0,15 + 0,002 t) ve °C
Třída přesnosti
A
Doba odezvy
t0,5 <10 s (na hladkém povrchu bez pasty)
Typ čidla
Pt1000
Teplotní koeficient
3850 ppm / °C
HLAVNÍ TECHNICKÁ DATA
Zapojení čidla
dvouvodičové
Materiál pouzdra
mosaz
Rozměry pouzdra
výška 6 ± 0,1 mm;
průměr 19,5 ± 0,1 mm;
průměr montážních otvorů 4,3 ± 0,05 mm
průměr 19,5 ± 0,1 mm;
průměr montážních otvorů 4,3 ± 0,05 mm
Typ přívodního kabelu
silikon stíněný
Délka přívodního kabelu
2 metry
Konektor
ELKA
Krytí
IP65
Záruka
30 měsíců
